purple charlie
CCCUK Member
now its warmer back to working on the car.
my previous electrical gremlins are getting better after replacing fuses, maybe corrosion or tired despite being ok.
but the screen washer is still a problem,
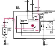
wipers working on positions and sliding to the washer position, they pass over, but the washer motor is not working, its had an after market "Land Rover" style washer motor fitted
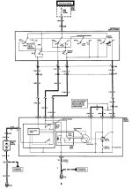
and Ive also got a new original style one but these do not work. Cant see its a fuse problem or switch as wipers work from same fuse and switch. Haynes manual wiring seems to say feed comes from wipe park relay, could it be this and where can I find the relay to check?
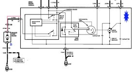
EDIT: looking on Charm, is this the washer/wiper module?
presumably, to remove the washer bottle, you have to remove the inner wheel arch liner as side two bolts removed bottle still held in place.
my previous electrical gremlins are getting better after replacing fuses, maybe corrosion or tired despite being ok.
but the screen washer is still a problem,
wipers working on positions and sliding to the washer position, they pass over, but the washer motor is not working, its had an after market "Land Rover" style washer motor fitted
and Ive also got a new original style one but these do not work. Cant see its a fuse problem or switch as wipers work from same fuse and switch. Haynes manual wiring seems to say feed comes from wipe park relay, could it be this and where can I find the relay to check?
EDIT: looking on Charm, is this the washer/wiper module?
presumably, to remove the washer bottle, you have to remove the inner wheel arch liner as side two bolts removed bottle still held in place.


